NOS SERVICES
LA SOCIÉTÉ
INFORMATION
| LOGICIELS | MATÉRIELS | SERVICES |
|
|||||||
|
| NOTRE ACCOMPAGNEMENT ET NOTRE EXPERTISE | NOS VALEURS AJOUTEES |
NOS SOLUTIONS ET REALISATIONS |
|
|||||||
|
|
LIVRAISON
Attention : dernières pièces disponibles !

Nous vous contacterons pour valider votre commande quand le produit sera disponible.
Date de disponibilité :
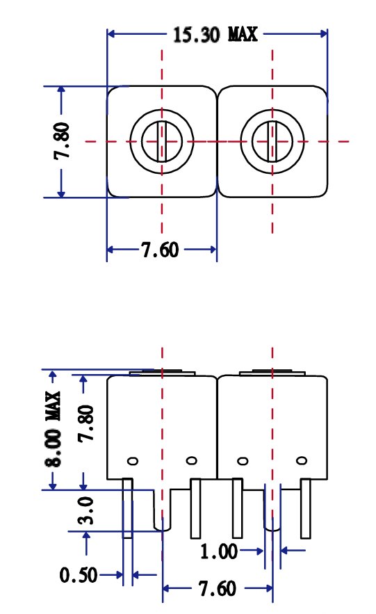
La série Temwell 7S2 regroupe des filtres passe-bande hélicoïdaux RF à 2 pôles conçus pour offrir un format plus compact tout en conservant des performances équivalentes à la série 7H (2 pôles). Elle répond aux architectures RF où l’encombrement est critique sans compromis sur la sélectivité et la stabilité en bande.

La 7S2 est la solution idéale lorsqu’il faut gagner de la place tout en conservant le niveau de performance d’une 7H (2 pôles). Elle réduit les contraintes mécaniques et thermiques des équipements compacts, tout en simplifiant l’intégration (50 Ω) et la qualification CEM.
Tableau comparatif des modèles – Série 7S2 (311 MHz – 640 MHz)
P/N
Freq Range (MHz)
-3dB BW
IL (dB)
@Fo-( )M/dB
@Fo+( )M/dB
Impedance
Series
Type
Power
Height
Size-Height (mm)
RF Range
TDS2041A-314M
311–350
3 MHz
5
(30)40
(30)30
50 Ω
7S2
Pin
1–5W
7.7
15.2×7.6
UHF
TDS2042F-314M
311–350
9 MHz
5
(25)21
(25)14
50 Ω
7S2
Pin
1–5W
7.7
15.2×7.6
UHF
TDS2045B-314M
311–350
10 MHz
3.5
(50)34
(50)31
50 Ω
7S2
Pin
1–5W
7.7
15.2×7.6
UHF
TDS2044F-315M
311–350
19 MHz
3
(30)11
(30)10
50 Ω
7S2
Pin
1–5W
7.7
15.2×7.6
UHF
TDS2046F-314M
311–350
22 MHz
2
(50)15
(50)25
50 Ω
7S2
Pin
1–5W
7.7
15.2×7.6
UHF
TDS2048B-315M
311–350
30 MHz
2
(50)14
(50)19
50 Ω
7S2
Pin
1–5W
7.7
15.2×7.6
UHF
TDS2047A-314M
311–350
35 MHz
1.5
(50)11
(50)14
50 Ω
7S2
Pin
1–5W
7.7
15.2×7.6
UHF
TDS2058B-400M
351–400
11 MHz
3.5
(50)19
(50)16
50 Ω
7S2
Pin
1–5W
7.7
15.2×7.6
UHF
TDS2053F-375M
351–400
13 MHz
4
(30)17
(30)14
50 Ω
7S2
Pin
1–5W
7.7
15.2×7.6
UHF
TDS2055B-375M
351–400
18 MHz
3.5
(50)23
(50)19
50 Ω
7S2
Pin
1–5W
7.7
15.2×7.6
UHF
TDS2054F-375M
351–400
20 MHz
3
(30)13
(30)9
50 Ω
7S2
Pin
1–5W
7.7
15.2×7.6
UHF
TDS2056F-375M
351–400
39 MHz
3
(100)16
(100)21
50 Ω
7S2
Pin
1–5W
7.7
15.2×7.6
UHF
TDS2057F-375M
351–400
42 MHz
2
(100)18
(100)21
50 Ω
7S2
Pin
1–5W
7.7
15.2×7.6
UHF
TDS2061A-434M
401–455
3 MHz
6.5
(50)43
(50)36
50 Ω
7S2
Pin
1–5W
7.7
15.2×7.6
UHF
TDS2065A-440M
401–455
6 MHz
4
(50)36
(50)31
50 Ω
7S2
Pin
1–5W
7.7
15.2×7.6
UHF
TDS2390D-455M
401–455
11 MHz
4.5
(50)30
(50)22
50 Ω
7S2
Pin
1–5W
7.7
15.2×7.6
VHF
TDS2062B-433.92M
401–455
11 MHz
3.5
(50)30
(50)26
50 Ω
7S2
Pin
1–5W
7.7
15.2×7.6
UHF
TDS2068B-420M
401–455
15 MHz
3
(50)29
(50)23
50 Ω
7S2
Pin
1–5W
7.7
15.2×7.6
UHF
TDS2066B-440M
401–455
18 MHz
3
(50)19
(50)15
50 Ω
7S2
Pin
1–5W
7.7
15.2×7.6
UHF
TDS2067B-440M
401–455
19 MHz
3
(40)22
(40)19
50 Ω
7S2
Pin
1–5W
7.7
15.2×7.6
UHF
TDS2063B-434M
401–455
29 MHz
2
(100)37
(100)25
50 Ω
7S2
Pin
1–5W
7.7
15.2×7.6
UHF
TDS2064F-434M
401–455
47 MHz
2
(100)17
(100)28
50 Ω
7S2
Pin
1–5W
7.7
15.2×7.6
UHF
TDS2395B-460M
456–515
25 MHz
2.5
(50)17
(50)14
50 Ω
7S2
Pin
1–5W
7.7
15.2×7.6
VHF
TDS2381A-480M
456–515
2.5 MHz
8
(50)42
(50)38
50 Ω
7S2
Pin
1–5W
7.7
15.2×7.6
VHF
TDS2385D-480M
456–515
6 MHz
6
(50)37
(50)31
50 Ω
7S2
Pin
1–5W
7.7
15.2×7.6
VHF
TDS2076B-470M
456–515
15 MHz
2.5
(50)25
(50)19
50 Ω
7S2
Pin
1–5W
7.7
15.2×7.6
UHF
TDS2075B-460M
456–515
16 MHz
3
(50)21
(50)18
50 Ω
7S2
Pin
1–5W
7.7
15.2×7.6
UHF
TDS2074B-485M
456–515
17 MHz
3
(50)25
(50)20
50 Ω
7S2
Pin
1–5W
7.7
15.2×7.6
UHF
TDS2392E-480M
456–515
20 MHz
2.5
(100)29
(100)33
50 Ω
7S2
Pin
1–5W
7.7
15.2×7.6
VHF
TDS2071B-485M
456–515
30 MHz
4
(50)13
(50)11
50 Ω
7S2
Pin
1–5W
7.7
15.2×7.6
UHF
TDS2072B-485M
456–515
37 MHz
3.5
(100)24
(100)18
50 Ω
7S2
Pin
1–5W
7.7
15.2×7.6
UHF
TDS2073F-485M
456–515
51 MHz
2.5
(100)14
(100)15
50 Ω
7S2
Pin
1–5W
7.7
15.2×7.6
UHF
TDS2399A-546M
TDS2400A-525M
516–555
10 MHz
4.5
(50)39
(50)28
50 Ω
7S2
Pin
1–5 W
7.7
15.2 × 7.6
VHF
TDS2401A-530M
516–555
15 MHz
3.5
(50)28
(50)22
50 Ω
7S2
Pin
1–5 W
7.7
15.2 × 7.6
VHF
TDS2402D-530M
516–555
15 MHz
3.5
(50)26
(50)19
50 Ω
7S2
Pin
1–5 W
7.7
15.2 × 7.6
VHF
TDS2084B-530M
516–555
18 MHz
4
(50)20
(50)17
50 Ω
7S2
Pin
1–5 W
7.7
15.2 × 7.6
UHF
TDS2403B-550M
516–555
20 MHz
3
(50)19
(50)16
50 Ω
7S2
Pin
1–5 W
7.7
15.2 × 7.6
VHF
TDS2404D-530M
516–555
25 MHz
3
(100)16
(100)38
50 Ω
7S2
Pin
1–5 W
7.7
15.2 × 7.6
VHF
TDS2082B-535M
516–555
37 MHz
4
(50)26
(50)19
50 Ω
7S2
Pin
1–5 W
7.7
15.2 × 7.6
UHF
TDS2083C-535M
516–555
49 MHz
2
(100)23
(100)14
50 Ω
7S2
Pin
1–5 W
7.7
15.2 × 7.6
UHF
TDS2405A-580M
556–595
8 MHz
5.5
(50)30
(50)26
50 Ω
7S2
Pin
1–5 W
7.7
15.2 × 7.6
VHF
TDS2093A-580M
556–595
14 MHz
3.5
(50)26
(50)21
50 Ω
7S2
Pin
1–5 W
7.7
15.2 × 7.6
UHF
TDS2094D-580M
556–595
17 MHz
2.5
(50)23
(50)20
50 Ω
7S2
Pin
1–5 W
7.7
15.2 × 7.6
UHF
TDS2408B-585M
556–595
40 MHz
2.5
(100)26
(100)18
50 Ω
7S2
Pin
1–5 W
7.7
15.2 × 7.6
VHF
TDS2410A-610M
596–640
5 MHz
7
(50)34
(50)29
50 Ω
7S2
Pin
1–5 W
7.7
15.2 × 7.6
VHF
TDS2411A-612M
596–640
9 MHz
5
(50)28
(50)24
50 Ω
7S2
Pin
1–5 W
7.7
15.2 × 7.6
VHF
TDS2415A-620M
596–640
12 MHz
4.5
(50)26
(50)23
50 Ω
7S2
Pin
1–5 W
7.7
15.2 × 7.6
VHF
TDS2104D-614M
596–640
20 MHz
3
(50)20
(50)17
50 Ω
7S2
Pin
1–5 W
7.7
15.2 × 7.6
UHF
TDS2102B-614M
596–640
29 MHz
2.5
(50)17
(50)14
50 Ω
7S2
Pin
1–5 W
7.7
15.2 × 7.6
UHF
TDS2101A-614M
596–640
31 MHz
3.5
(50)28
(50)23
50 Ω
7S2
Pin
1–5 W
7.7
15.2 × 7.6
UHF
Tableau comparatif des modèles – Série 7S2 (641 MHz – 900 MHz)
P/N
Freq Range (MHz)
-3dB BW
IL (dB)
@Fo-( )M/dB
@Fo+( )M/dB
Impedance
Series
Type
Power
Height
Size-Height (mm)
RF Range
TDS2113A-650M
641–660
14 MHz
3.5
(50)26
(50)24
50 Ω
7S2
Pin
1–5 W
7.7
15.2 × 7.6
UHF
TDS2114A-650M
641–660
19 MHz
2.5
(50)16
(50)20
50 Ω
7S2
Pin
1–5 W
7.7
15.2 × 7.6
UHF
TDS2417D-680M
661–700
12 MHz
4.5
(50)26
(50)26
50 Ω
7S2
Pin
1–5 W
7.7
15.2 × 7.6
VHF
TDS2123A-680M
661–700
14 MHz
4
(50)27
(50)22
50 Ω
7S2
Pin
1–5 W
7.7
15.2 × 7.6
UHF
TDS2124D-680M
661–700
21 MHz
2
(50)16
(50)13
50 Ω
7S2
Pin
1–5 W
7.7
15.2 × 7.6
UHF
TDS2419B-675M
661–700
34 MHz
2.5
(100)29
(100)22
50 Ω
7S2
Pin
1–5 W
7.7
15.2 × 7.6
VHF
TDS2143D-740M
701–750
16 MHz
3
(50)25
(50)21
50 Ω
7S2
Pin
1–5 W
7.7
15.2 × 7.6
UHF
TDS2134D-710M
701–750
17 MHz
3
(50)23
(50)21
50 Ω
7S2
Pin
1–5 W
7.7
15.2 × 7.6
UHF
TDS2425B-725M
701–750
30 MHz
3
(100)26
(100)21
50 Ω
7S2
Pin
1–5 W
7.7
15.2 × 7.6
VHF
TDS2131A-725M
701–750
55 MHz
1.5
(100)19
(100)13
50 Ω
7S2
Pin
1–5 W
7.7
15.2 × 7.6
UHF
TDS2142A-761.5M
751–800
18 MHz
2
(100)39
(100)29
50 Ω
7S2
Pin
1–5 W
7.7
15.2 × 7.6
UHF
TDS2143A-777.5M
751–800
18 MHz
2.5
(50)21
(50)18
50 Ω
7S2
Pin
1–5 W
7.7
15.2 × 7.6
UHF
TDS2144A-800M
751–800
22 MHz
3
(100)35
(100)31
50 Ω
7S2
Pin
1–5 W
7.7
15.2 × 7.6
UHF
TDS2144D-796M
751–800
22 MHz
3
(100)33
(100)28
50 Ω
7S2
Pin
1–5 W
7.7
15.2 × 7.6
UHF
TDS2432B-775M
751–800
34 MHz
3
(100)26
(100)20
50 Ω
7S2
Pin
1–5 W
7.7
15.2 × 7.6
VHF
TDS2146A-800M
751–800
45 MHz
3
(100)21
(100)16
50 Ω
7S2
Pin
1–5 W
7.7
15.2 × 7.6
UHF
TDS2145D-780M
751–800
50 MHz
2
(100)20
(100)13
50 Ω
7S2
Pin
1–5 W
7.7
15.2 × 7.6
UHF
TDS2147A-775M
751–800
50 MHz
1.5
(100)21
(100)15
50 Ω
7S2
Pin
1–5 W
7.7
15.2 × 7.6
UHF
TDS2433A-815M
801–830
10 MHz
5
(50)22
(50)20
50 Ω
7S2
Pin
1–5 W
7.7
15.2 × 7.6
VHF
TDS2155A-820M
801–830
18 MHz
3.5
(50)22
(50)20
50 Ω
7S2
Pin
1–5 W
7.7
15.2 × 7.6
UHF
TDS2154A-815M
801–830
23 MHz
2.5
(50)20
(50)17
50 Ω
7S2
Pin
1–5 W
7.7
15.2 × 7.6
UHF
TDS2151A-815M
801–830
60 MHz
2
(100)19
(100)13
50 Ω
7S2
Pin
1–5 W
7.7
15.2 × 7.6
UHF
TDS2164A-850M
831–860
20 MHz
4
(50)20
(50)17
50 Ω
7S2
Pin
1–5 W
7.7
15.2 × 7.6
UHF
TDS2161A-836.5M
831–860
21 MHz
3
(50)20
(50)18
50 Ω
7S2
Pin
1–5 W
7.7
15.2 × 7.6
UHF
TDS2162A-845M
831–860
68 MHz
2
(100)18
(100)12
50 Ω
7S2
Pin
1–5 W
7.7
15.2 × 7.6
UHF
TDS2171A-870M
861–880
66 MHz
2
(100)16
(100)11
50 Ω
7S2
Pin
1–5 W
7.7
15.2 × 7.6
UHF
TDS2184A-890M
881–900
22 MHz
4
(50)18
(50)15
50 Ω
7S2
Pin
1–5 W
7.7
15.2 × 7.6
UHF
TDS2181A-890M
881–900
60 MHz
2
(100)17
(100)13
50 Ω
7S2
Pin
1–5 W
7.7
15.2 × 7.6
UHF
Tableau comparatif des modèles – Série 7S2 (901 MHz – 1180 MHz)
P/N
Freq Range (MHz)
-3dB BW
IL (dB)
@Fo-( )M/dB
@Fo+( )M/dB
Impedance
Series
Type
Power
Height
Size-Height (mm)
RF Range
TDS2194A-915M
901–930
24 MHz
4
(50)18
(50)14
50 Ω
7S2
Pin
1–5 W
7.7
15.2 × 7.6
UHF
TDS2191A-915M
901–930
68 MHz
2
(100)15
(100)10
50 Ω
7S2
Pin
1–5 W
7.7
15.2 × 7.6
UHF
TDS2317C-940M
931–950
22 MHz
7
(100)35
(100)30
50 Ω
7S2
Pin
1–5 W
7.7
15.2 × 7.6
UHF
TDS2201A-940M
931–950
77 MHz
2
(100)13
(100)9
50 Ω
7S2
Pin
1–5 W
7.7
15.2 × 7.6
UHF
TDS2215A-960M
951–975
20 MHz
3
(100)34
(100)29
50 Ω
7S2
Pin
1–5 W
7.7
15.2 × 7.6
UHF
TDS2212A-958M
951–975
25 MHz
2.5
(100)32
(100)27
50 Ω
7S2
Pin
1–5 W
7.7
15.2 × 7.6
UHF
TDS2213A-962M
951–975
82 MHz
2
(100)12
(100)9
50 Ω
7S2
Pin
1–5 W
7.7
15.2 × 7.6
UHF
TDS2222A-997M
976–1000
16 MHz
3.5
(100)38
(100)33
50 Ω
7S2
Pin
1–5 W
7.7
15.2 × 7.6
UHF
TDS2224A-997M
976–1000
29 MHz
3
(100)29
(100)24
50 Ω
7S2
Pin
1–5 W
7.7
15.2 × 7.6
UHF
TDS2221A-987M
976–1000
74 MHz
2
(100)13
(100)10
50 Ω
7S2
Pin
1–5 W
7.7
15.2 × 7.6
UHF
TDS2231A-1010M
1001–1180
19 MHz
4.5
(50)19
(50)17
50 Ω
7S2
Pin
1–5 W
7.7
15.2 × 7.6
UHF
TDS2261A-1170M
1001–1180
29 MHz
3
(100)25
(100)23
50 Ω
7S2
Pin
1–5 W
7.7
15.2 × 7.6
UHF
TDS2242A-1075M
1001–1180
56 MHz
2.5
(100)19
(100)15
50 Ω
7S2
Pin
1–5 W
7.7
15.2 × 7.6
UHF
TDS2232A-1025M
1001–1180
60 MHz
2.5
(150)24
(150)19
50 Ω
7S2
Pin
1–5 W
7.7
15.2 × 7.6
UHF
TDS2233A-1025M
1001–1180
60 MHz
2.5
(100)17
(100)14
50 Ω
7S2
Pin
1–5 W
7.7
15.2 × 7.6
UHF
TDS2244A-1175M
1001–1180
64 MHz
3
(100)15
(100)12
50 Ω
7S2
Pin
1–5 W
7.7
15.2 × 7.6
UHF
TDS2243A-1125M
1001–1180
64 MHz
2
(100)14
(100)12
50 Ω
7S2
Pin
1–5 W
7.7
15.2 × 7.6
UHF
TDS2241A-1075M
1001–1180
66 MHz
3
(100)23
(100)17
50 Ω
7S2
Pin
1–5 W
7.7
15.2 × 7.6
UHF
TDS2251A-1130M
1001–1180
68 MHz
3
(100)22
(100)16
50 Ω
7S2
Pin
1–5 W
7.7
15.2 × 7.6
UHF
Tableau comparatif des modèles – Série 7S2 (1181 MHz – 1500 MHz)
P/N
Freq Range (MHz)
-3dB BW
IL (dB)
@Fo-( )M/dB
@Fo+( )M/dB
Impedance
Series
Type
Power
Height
Size-Height (mm)
RF Range
TDS2272A-1230M
1181–1250
33 MHz
3.5
(70)16
(70)15
50 Ω
7S2
Pin
1–5 W
7.7
15.2 × 7.6
UHF
TDS2245A-1225M
1181–1250
68 MHz
2.5
(100)15
(100)13
50 Ω
7S2
Pin
1–5 W
7.7
15.2 × 7.6
UHF
TDS2262A-1190M
1181–1250
77 MHz
4
(100)12
(100)10
50 Ω
7S2
Pin
1–5 W
7.7
15.2 × 7.6
UHF
TDS2273A-1250M
1181–1250
77 MHz
3
(150)19
(150)14
50 Ω
7S2
Pin
1–5 W
7.7
15.2 × 7.6
UHF
TDS2275A-1270M
1251–1300
23 MHz
4.5
(100)28
(100)25
50 Ω
7S2
Pin
1–5 W
7.7
15.2 × 7.6
UHF
TDS2274A-1270M
1251–1300
37 MHz
3
(150)21
(150)19
50 Ω
7S2
Pin
1–5 W
7.7
15.2 × 7.6
UHF
TDS2282A-1300M
1251–1300
42 MHz
3
(100)20
(100)18
50 Ω
7S2
Pin
1–5 W
7.7
15.2 × 7.6
UHF
TDS2246A-1275M
1251–1300
76 MHz
4
(100)19
(100)15
50 Ω
7S2
Pin
1–5 W
7.7
15.2 × 7.6
UHF
TDS2271A-1270M
1251–1300
81 MHz
2
(150)19
(150)15
50 Ω
7S2
Pin
1–5 W
7.7
15.2 × 7.6
UHF
TDS2316A-1472M
1301–1500
38 MHz
5
(100)20
(100)18
50 Ω
7S2
Pin
1–5 W
7.7
15.2 × 7.6
UHF
TDS2315A-1472M
1301–1500
70 MHz
4.5
(150)18
(150)15
50 Ω
7S2
Pin
1–5 W
7.7
15.2 × 7.6
UHF
TDS2283A-1310M
1301–1500
77 MHz
3
(150)20
(150)16
50 Ω
7S2
Pin
1–5 W
7.7
15.2 × 7.6
UHF
TDS2294A-1370M
1301–1500
84 MHz
2
(150)19
(150)16
50 Ω
7S2
Pin
1–5 W
7.7
15.2 × 7.6
UHF