NOS SERVICES
LA SOCIÉTÉ
INFORMATION
| LOGICIELS | MATÉRIELS | SERVICES |
|
|||||||
|
| NOTRE ACCOMPAGNEMENT ET NOTRE EXPERTISE | NOS VALEURS AJOUTEES |
NOS SOLUTIONS ET REALISATIONS |
|
|||||||
|
|
LIVRAISON
Attention : dernières pièces disponibles !

Nous vous contacterons pour valider votre commande quand le produit sera disponible.
Date de disponibilité :
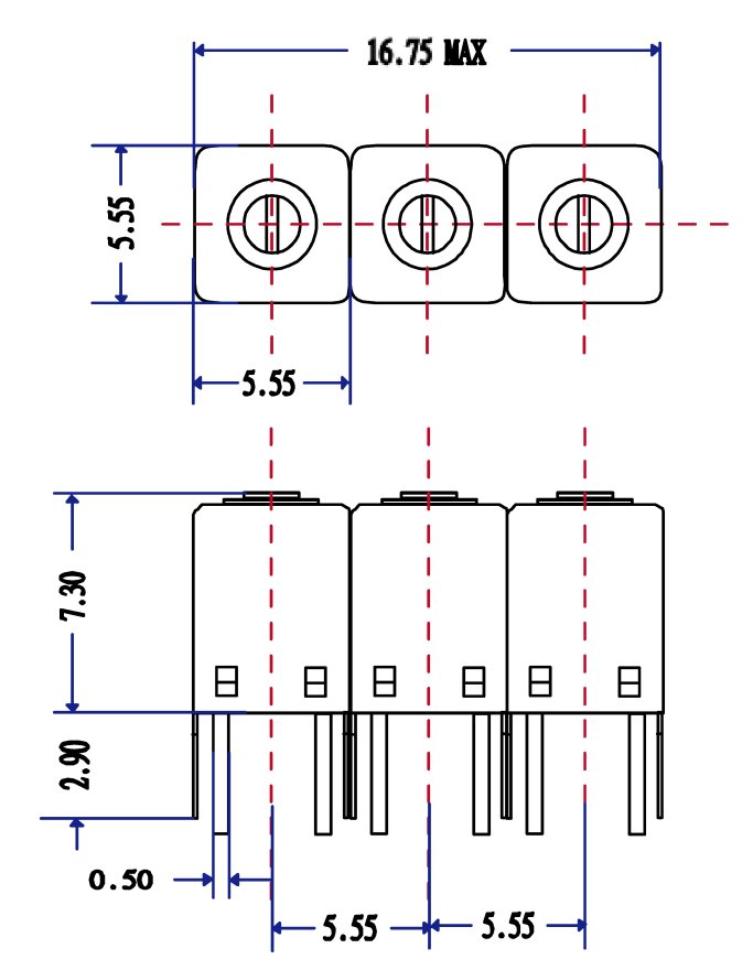
La série Temwell 5R3 est une gamme de filtres passe-bande hélicoïdaux RF à 3 pôles conçue pour remplacer directement les filtres TOKO 5HT en PIN-to-PIN, tout en offrant des possibilités de spécifications élargies (fréquence centrale, bande passante, rejet). Développée pour répondre à la demande du marché en substituts fiables des références TOKO, la 5R3 garantit des performances de filtrage robustes dans un format et un brochage compatibles.

La 5R3 combine la compatibilité mécanique & électrique des TOKO 5HT (remplacement PIN-to-PIN) avec une marge de personnalisation supérieure (Fc, BW, rejet). Elle permet de réduire les risques de redesign, d’accélérer la maintenance et d’optimiser la coexistence spectrale dans les architectures RF modernes, tout en conservant l’adaptation 50 Ω standard.
Tableau comparatif des modèles – Série 5R3 (200 MHz – 300 MHz)
P/N
Freq Range (MHz)
-3dB BW
IL (dB)
@Fo-( )M/dB
@Fo+( )M/dB
Impedance
Series
Type
Power
Height
Size-Height (mm)
RF Range
TTR3621A-230M
200–250
9 MHz
7
(30)43
(30)37
50 Ω
5R3
Pin
1–5 W
8.6
16.8 × 5.6
VHF
TTR3620B-230M
200–250
12 MHz
6
(30)35
(30)26
50 Ω
5R3
Pin
1–5 W
8.6
16.8 × 5.6
VHF
TTR3623A-275M
251–300
10 MHz
6
(50)49
(50)44
50 Ω
5R3
Pin
1–5 W
8.6
16.8 × 5.6
VHF
TTR3622A-275M
251–300
13 MHz
5
(30)34
(30)29
50 Ω
5R3
Pin
1–5 W
8.6
16.8 × 5.6
VHF
TTR3890B-300M
251–300
15 MHz
3
(50)35
(50)25
50 Ω
5R3
Pin
1–5 W
8.6
16.8 × 5.6
VHF
Tableau comparatif des modèles – Série 5R3 (351 MHz – 600 MHz)
P/N
Freq Range (MHz)
-3dB BW
IL (dB)
@Fo-( )M/dB
@Fo+( )M/dB
Impedance
Series
Type
Power
Height
Size-Height (mm)
RF Range
TTR3629A-360M
351–400
10 MHz
7
(50)44
(50)42
50 Ω
5R3
Pin
1–5 W
8.6
16.8 × 5.6
UHF
TTR3630A-400M
351–400
11 MHz
6
(30)28
(30)26
50 Ω
5R3
Pin
1–5 W
8.6
16.8 × 5.6
UHF
TTR3636A-400M
351–400
18 MHz
3.5
(50)39
(50)35
50 Ω
5R3
Pin
1–5 W
8.6
16.8 × 5.6
UHF
TTR3628A-360M
351–400
18 MHz
4
(50)37
(50)31
50 Ω
5R3
Pin
1–5 W
8.6
16.8 × 5.6
UHF
TTR3627A-380M
351–400
20 MHz
3.5
(50)39
(50)33
50 Ω
5R3
Pin
1–5 W
8.6
16.8 × 5.6
UHF
TTR3875FT-383.5M
351–400
24 MHz
3
(50)40
(50)26
50 Ω
5R3
Pin
1–5 W
8.6
16.8 × 5.6
UHF
TTR3635A-440M
401–450
9 MHz
5
(50)43
(50)47
50 Ω
5R3
Pin
1–5 W
8.6
16.8 × 5.6
UHF
TTR3634A-420M
401–450
11 MHz
5.5
(50)44
(50)43
50 Ω
5R3
Pin
1–5 W
8.6
16.8 × 5.6
UHF
TTR3637F-407.5M
401–450
15 MHz
4
(50)34
(50)31
50 Ω
5R3
Pin
1–5 W
8.6
16.8 × 5.6
UHF
TTR3633A-420M
401–450
16 MHz
4
(50)39
(50)34
50 Ω
5R3
Pin
1–5 W
8.6
16.8 × 5.6
UHF
TTR3637A-440M
401–450
17 MHz
4
(50)39
(50)37
50 Ω
5R3
Pin
1–5 W
8.6
16.8 × 5.6
UHF
TTR3817B-420M
401–450
20 MHz
3.5
(50)30
(50)30
50 Ω
5R3
Pin
1–5 W
8.6
16.8 × 5.6
UHF
TTR3887FT-443M
401–450
20 MHz
3
(50)28
(50)25
50 Ω
5R3
Pin
1–5 W
8.6
16.8 × 5.6
UHF
TTR3885FT-407M
401–450
21 MHz
3
(50)43
(50)28
50 Ω
5R3
Pin
1–5 W
8.6
16.8 × 5.6
UHF
TTR3877FT-429M
401–450
22 MHz
3
(50)40
(50)25
50 Ω
5R3
Pin
1–5 W
8.6
16.8 × 5.6
UHF
TTR3631A-460M
451–500
10 MHz
4.5
(50)41
(50)41
50 Ω
5R3
Pin
1–5 W
8.6
16.8 × 5.6
UHF
TTR3902FT-460M
451–500
10 MHz
4.5
(50)40
(50)30
50 Ω
5R3
Pin
1–5 W
8.6
16.8 × 5.6
UHF
TTR3632A-480M
451–500
12 MHz
4.5
(50)43
(50)43
50 Ω
5R3
Pin
1–5 W
8.6
16.8 × 5.6
UHF
TTR3880FT-494M
451–500
20 MHz
3.5
(50)40
(50)25
50 Ω
5R3
Pin
1–5 W
8.6
16.8 × 5.6
UHF
TTR3641A-500M
451–500
20 MHz
3.5
(50)29
(50)25
50 Ω
5R3
Pin
1–5 W
8.6
16.8 × 5.6
UHF
TTR3879FT-465M
451–500
20 MHz
3
(50)45
(50)25
50 Ω
5R3
Pin
1–5 W
8.6
16.8 × 5.6
UHF
TTR3891FT-500M
451–500
20 MHz
3.5
(50)45
(50)25
50 Ω
5R3
Pin
1–5 W
8.6
16.8 × 5.6
UHF
TTR3638F-460M
451–500
21 MHz
3.5
(50)37
(50)34
50 Ω
5R3
Pin
1–5 W
8.6
16.8 × 5.6
UHF
TTR3654F-540M
501–550
9 MHz
5.5
(50)46
(50)46
50 Ω
5R3
Pin
1–5 W
8.6
16.8 × 5.6
UHF
TTR3881FT-506M
501–550
20 MHz
3.5
(50)40
(50)25
50 Ω
5R3
Pin
1–5 W
8.6
16.8 × 5.6
UHF
TTR3642A-520M
501–550
20 MHz
3.5
(100)54
(100)51
50 Ω
5R3
Pin
1–5 W
8.6
16.8 × 5.6
UHF
TTR3655F-540M
501–550
25 MHz
3
(50)31
(50)28
50 Ω
5R3
Pin
1–5 W
8.6
16.8 × 5.6
UHF
TTR3663A-580M
551–600
10 MHz
6
(50)39
(50)50
50 Ω
5R3
Pin
1–5 W
8.6
16.8 × 5.6
UHF
TTR3661F-580M
551–600
21 MHz
3.5
(50)31
(50)28
50 Ω
5R3
Pin
1–5 W
8.6
16.8 × 5.6
UHF
TTR3662F-580M
551–600
24 MHz
3.5
(100)48
(100)40
50 Ω
5R3
Pin
1–5 W
8.6
16.8 × 5.6
UHF
Tableau comparatif des modèles – Série 5R3 (651 MHz – 900 MHz)
P/N
Freq Range (MHz)
-3dB BW
IL (dB)
@Fo-( )M/dB
@Fo+( )M/dB
Impedance
Series
Type
Power
Height
Size-Height (mm)
RF Range
TTR3682F-675M
651–700
15 MHz
5
(50)32
(50)33
50 Ω
5R3
Pin
1–5 W
8.6
16.8 × 5.6
UHF
TTR3681B-675M
651–700
22 MHz
4
(50)37
(50)26
50 Ω
5R3
Pin
1–5 W
8.6
16.8 × 5.6
UHF
TTR3692B-725M
701–750
14 MHz
5.5
(50)44
(50)33
50 Ω
5R3
Pin
1–5 W
8.6
16.8 × 5.6
UHF
TTR3691B-725M
701–750
26 MHz
3.5
(50)33
(50)24
50 Ω
5R3
Pin
1–5 W
8.6
16.8 × 5.6
UHF
TTR3702B-775M
751–800
17 MHz
5
(50)36
(50)28
50 Ω
5R3
Pin
1–5 W
8.6
16.8 × 5.6
UHF
TTR3701B-775M
751–800
26 MHz
3.5
(50)30
(50)23
50 Ω
5R3
Pin
1–5 W
8.6
16.8 × 5.6
UHF
TTR3711TB-830M
801–850
26 MHz
3.5
(50)29
(50)23
50 Ω
5R3
Pin
1–5 W
8.6
16.8 × 5.6
UHF
TTR3711B-825M
801–850
27 MHz
3.5
(50)25
(50)22
50 Ω
5R3
Pin
1–5 W
8.6
16.8 × 5.6
UHF
TTR3731TB-880M
851–900
25 MHz
3.5
(50)29
(50)22
50 Ω
5R3
Pin
1–5 W
8.6
16.8 × 5.6
UHF
TTR3731B-875M
851–900
25 MHz
3.5
(50)30
(50)19
50 Ω
5R3
Pin
1–5 W
8.6
16.8 × 5.6
UHF
Tableau comparatif des modèles – Série 5R3 (901 MHz – 1150 MHz)
P/N
Freq Range (MHz)
-3dB BW
IL (dB)
@Fo-( )M/dB
@Fo+( )M/dB
Impedance
Series
Type
Power
Height
Size-Height (mm)
RF Range
TTR3751B-925M
901–950
24 MHz
4
(50)27
(50)21
50 Ω
5R3
Pin
1–5 W
8.6
16.8 × 5.6
UHF
TTR3770B-980M
951–1000
15 MHz
4.5
(50)33
(50)26
50 Ω
5R3
Pin
1–5 W
8.6
16.8 × 5.6
UHF
TTR3767B-960M
951–1000
15 MHz
4.5
(50)34
(50)26
50 Ω
5R3
Pin
1–5 W
8.6
16.8 × 5.6
UHF
TTR3769B-975M
951–1000
24 MHz
4
(50)25
(50)19
50 Ω
5R3
Pin
1–5 W
8.6
16.8 × 5.6
UHF
TTR3791B-1025M
1001–1050
22 MHz
3.5
(50)24
(50)19
50 Ω
5R3
Pin
1–5 W
8.6
16.8 × 5.6
UHF
TTR3793B-1075M
1051–1100
20 MHz
4.5
(50)22
(50)17
50 Ω
5R3
Pin
1–5 W
8.6
16.8 × 5.6
UHF
TTR3795B-1125M
1101–1150
25 MHz
4.5
(50)24
(50)17
50 Ω
5R3
Pin
1–5 W
8.6
16.8 × 5.6
UHF
Tableau comparatif des modèles – Série 5R3 (1201 MHz – 1550 MHz)
P/N
Freq Range (MHz)
-3dB BW
IL (dB)
@Fo-( )M/dB
@Fo+( )M/dB
Impedance
Series
Type
Power
Height
Size-Height (mm)
RF Range
TTR3773B-1225M
1201–1250
20 MHz
4.5
(50)26
(50)20
50 Ω
5R3
Pin
1–5 W
8.6
16.8 × 5.6
UHF
TTR3799B-1225M
1201–1250
34 MHz
4
(100)40
(100)29
50 Ω
5R3
Pin
1–5 W
8.6
16.8 × 5.6
UHF
TTR3775B-1275M
1251–1300
21 MHz
4.5
(50)24
(50)19
50 Ω
5R3
Pin
1–5 W
8.6
16.8 × 5.6
UHF
TTR3802B-1275M
1251–1300
25 MHz
4.5
(100)44
(100)32
50 Ω
5R3
Pin
1–5 W
8.6
16.8 × 5.6
UHF
TTR3805B-1325M
1301–1350
23 MHz
4.5
(100)43
(100)31
50 Ω
5R3
Pin
1–5 W
8.6
16.8 × 5.6
UHF
TTR3809B-1375M
1351–1400
25 MHz
4.5
(100)41
(100)29
50 Ω
5R3
Pin
1–5 W
8.6
16.8 × 5.6
UHF
TTR3811B-1425M
1401–1450
19 MHz
5.5
(100)43
(100)30
50 Ω
5R3
Pin
1–5 W
8.6
16.8 × 5.6
UHF
TTR3943B-1455.4M
1451–1500
25 MHz
4.5
(100)40
(100)30
50 Ω
5R3
Pin
1–5 W
8.6
16.8 × 5.6
UHF
TTR3813B-1475M
1451–1500
25 MHz
4.5
(100)38
(100)27
50 Ω
5R3
Pin
1–5 W
8.6
16.8 × 5.6
UHF
TTR3945B-1479.4M
1451–1500
28 MHz
4.5
(100)38
(100)27
50 Ω
5R3
Pin
1–5 W
8.6
16.8 × 5.6
UHF
TTR3944B-1503.4M
1501–1550
28 MHz
4
(100)36
(100)26
50 Ω
5R3
Pin
1–5 W
8.6
16.8 × 5.6
UHF
TTR3815B-1525M
1501–1550
28 MHz
4.5
(100)34
(100)26
50 Ω
5R3
Pin
1–5 W
8.6
16.8 × 5.6
UHF