NOS SERVICES
LA SOCIÉTÉ
INFORMATION
| LOGICIELS | MATÉRIELS | SERVICES |
|
|||||||
|
| NOTRE ACCOMPAGNEMENT ET NOTRE EXPERTISE | NOS VALEURS AJOUTEES |
NOS SOLUTIONS ET REALISATIONS |
|
|||||||
|
|
LIVRAISON
Attention : dernières pièces disponibles !

Nous vous contacterons pour valider votre commande quand le produit sera disponible.
Date de disponibilité :
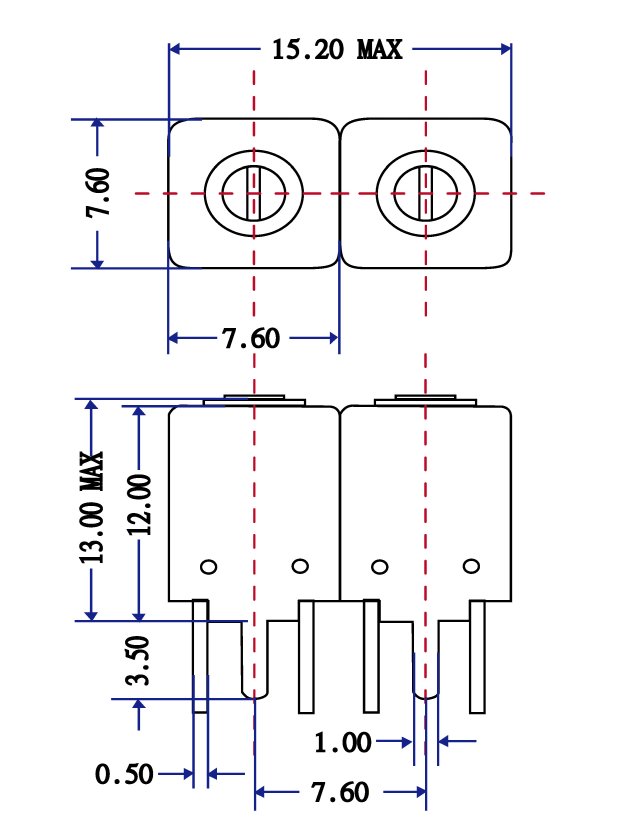
La série Temwell 7HL2 est une déclinaison 75 Ω de la famille 7H-2POLE, offrant une conversion complète 50 Ω → 75 Ω sans dégrader les performances RF ni modifier les paramètres électriques (Fc, BW, IL, gabarits d’atténuation). Pensée pour les chaînes VHF/UHF/L-Band en environnement télécom, défense et industriel, elle permet un passage transparent en 75 Ω (réseaux broadcast, vidéo RF, liaisons longue distance) avec une empreinte et une intégration identiques.

La 7HL2 simplifie la migration d’architectures 50 Ω vers 75 Ω : mêmes performances qu’une 7H-2POLE, pas de re-design RF et intégration immédiate côté mécanique et CEM. C’est la solution la plus rapide pour uniformiser l’impédance système (vidéo/broadcast, réseaux hybrides) tout en garantissant les niveaux de pertes et de sélectivité attendus.
Tableau comparatif des modèles – Série 7H2L (46 MHz – 145 MHz)
P/N
Freq Range (MHz)
-3dB BW
IL (dB)
@Fo-( )M/dB
@Fo+( )M/dB
Impedance
Series
Type
Power
Height
Size-Height (mm)
RF Range
TDL6201B-55.25M
46–55
6 MHz
2.5
(30)27
(30)31
75 Ω
7H2L
Pin
1–5 W
12.5
15.2 × 7.6
VHF
TDL6202B-61.25M
56–67
6 MHz
2.5
(30)25
(30)31
75 Ω
7H2L
Pin
1–5 W
12.5
15.2 × 7.6
VHF
TDL6203D-67.25M
56–67
6 MHz
2.5
(30)26
(30)33
75 Ω
7H2L
Pin
1–5 W
12.5
15.2 × 7.6
VHF
TDL6204B-77.25M
76–85
6 MHz
2.5
(20)24
(20)28
75 Ω
7H2L
Pin
1–5 W
12.5
15.2 × 7.6
VHF
TDL6205F-83.25M
76–85
6 MHz
3.0
(20)25
(20)28
75 Ω
7H2L
Pin
1–5 W
12.5
15.2 × 7.6
VHF
TDL62109F-115.5M
108–125
9 MHz
2.5
(30)28
(30)28
75 Ω
7H2L
Pin
1–5 W
12.5
15.2 × 7.6
VHF
TDL62110F-122.5M
108–125
9 MHz
2.5
(30)27
(30)26
75 Ω
7H2L
Pin
1–5 W
12.5
15.2 × 7.6
VHF
TDL62111F-129.5M
126–145
8 MHz
2.5
(30)29
(30)30
75 Ω
7H2L
Pin
1–5 W
12.5
15.2 × 7.6
VHF
TDL62112F-136.5M
126–145
9 MHz
2.5
(30)31
(30)27
75 Ω
7H2L
Pin
1–5 W
12.5
15.2 × 7.6
VHF
TDL67203B-140M
126–145
8 MHz
2.5
(50)36
(50)40
75 Ω
7H2L
Pin
1–5 W
12.5
15.2 × 7.6
VHF
Tableau comparatif des modèles – Série 7H2L (146 MHz – 310 MHz)
P/N
Freq Range (MHz)
-3dB BW
IL (dB)
@Fo-( )M/dB
@Fo+( )M/dB
Impedance
Series
Type
Power
Height
Size-Height (mm)
RF Range
TDL6712B-155M
146–165
4 MHz
3.5
(10)16
(10)21
75 Ω
7H2L
Pin
1–5 W
12.5
15.2 × 7.6
VHF
TDL6206F-175.25M
166–195
6 MHz
3.0
(20)26
(20)26
75 Ω
7H2L
Pin
1–5 W
12.5
15.2 × 7.6
VHF
TDL6207F-181.25M
166–195
6 MHz
3.0
(20)25
(20)25
75 Ω
7H2L
Pin
1–5 W
12.5
15.2 × 7.6
VHF
TDL6208F-187.25M
166–195
6 MHz
3.0
(20)26
(20)26
75 Ω
7H2L
Pin
1–5 W
12.5
15.2 × 7.6
VHF
TDL6209F-193.25M
166–195
6 MHz
3.0
(20)23
(20)25
75 Ω
7H2L
Pin
1–5 W
12.5
15.2 × 7.6
VHF
TDL6210F-199.25M
196–220
6 MHz
3.0
(20)24
(20)25
75 Ω
7H2L
Pin
1–5 W
12.5
15.2 × 7.6
VHF
TDL6211F-205.25M
196–220
6 MHz
3.0
(20)25
(20)26
75 Ω
7H2L
Pin
1–5 W
12.5
15.2 × 7.6
VHF
TDL6212F-211.25M
196–220
6 MHz
3.0
(20)24
(20)26
75 Ω
7H2L
Pin
1–5 W
12.5
15.2 × 7.6
VHF
TDL62121F-199.5M
196–220
10 MHz
2.5
(30)27
(30)26
75 Ω
7H2L
Pin
1–5 W
12.5
15.2 × 7.6
VHF
TDL62122F-206.5M
196–220
10 MHz
2.5
(20)27
(20)25
75 Ω
7H2L
Pin
1–5 W
12.5
15.2 × 7.6
VHF
TDL62123F-213.5M
196–220
10 MHz
2.5
(20)25
(20)24
75 Ω
7H2L
Pin
1–5 W
12.5
15.2 × 7.6
VHF
TDL62124F-220.5M
196–220
10 MHz
2.5
(20)26
(20)25
75 Ω
7H2L
Pin
1–5 W
12.5
15.2 × 7.6
VHF
TDL62125F-227.5M
221–245
10 MHz
2.5
(30)26
(30)26
75 Ω
7H2L
Pin
1–5 W
12.5
15.2 × 7.6
VHF
TDL6732B-229.2M
221–245
8 MHz
2.5
(20)19
(20)23
75 Ω
7H2L
Pin
1–5 W
12.5
15.2 × 7.6
VHF
TDL6704B1-287.25M
276–310
8 MHz
3.5
(50)42
(50)37
75 Ω
7H2L
Pin
1–5 W
12.5
15.2 × 7.6
UHF
TDL6838B-287.25M
276–310
9 MHz
4.0
(20)24
(20)19
75 Ω
7H2L
Pin
1–5 W
12.5
15.2 × 7.6
UHF
Tableau comparatif des modèles – Série 7H2L (641 – 900 MHz)
P/N
Freq Range
-3dB BW
IL
@Fo-( )M/dB
@Fo+( )M/dB
Impedance
Series
Type
Power
Height
Size-Height
RF Range
TDL6249F-657.25M
641~660M
6M
5
(30)27
(30)21
75 Ω
7H2L
Pin
1~5W
12.5mm
15.2 × 7.6
UHF
TDL6248F-651.25M
641~660M
6M
5.5
(30)27
(30)22
75 Ω
7H2L
Pin
1~5W
12.5mm
15.2 × 7.6
UHF
TDL6247F-645.25M
641~660M
6M
5.5
(30)27
(30)21
75 Ω
7H2L
Pin
1~5W
12.5mm
15.2 × 7.6
UHF
TDL67533F-635M
641~660M
42M
1.5
(100)23
(100)13
75 Ω
7H2L
Pin
1~5W
12.5mm
15.2 × 7.6
UHF
TDL67532F-600M
641~660M
45M
2
(100)24
(100)13
75 Ω
7H2L
Pin
1~5W
12.5mm
15.2 × 7.6
UHF
TDL6254F-687.25M
661~700M
5M
6.5
(30)26
(30)21
75 Ω
7H2L
Pin
1~5W
12.5mm
15.2 × 7.6
UHF
TDL6252F-675.25M
661~700M
5M
6
(30)24
(30)28
75 Ω
7H2L
Pin
1~5W
12.5mm
15.2 × 7.6
UHF
TDL6251F-669.25M
661~700M
5M
5.5
(30)30
(30)24
75 Ω
7H2L
Pin
1~5W
12.5mm
15.2 × 7.6
UHF
TDL6256F-699.25M
661~700M
6M
5
(20)19
(20)16
75 Ω
7H2L
Pin
1~5W
12.5mm
15.2 × 7.6
UHF
TDL6255F-693.25M
661~700M
6M
5.5
(30)28
(30)22
75 Ω
7H2L
Pin
1~5W
12.5mm
15.2 × 7.6
UHF
TDL6253F-681.25M
661~700M
6M
6
(30)26
(30)21
75 Ω
7H2L
Pin
1~5W
12.5mm
15.2 × 7.6
UHF
TDL6250F-663.25M
661~700M
6M
5.5
(30)27
(30)21
75 Ω
7H2L
Pin
1~5W
12.5mm
15.2 × 7.6
UHF
TDL67534F-670M
661~700M
51M
1.5
(150)30
(150)16
75 Ω
7H2L
Pin
1~5W
12.5mm
15.2 × 7.6
UHF